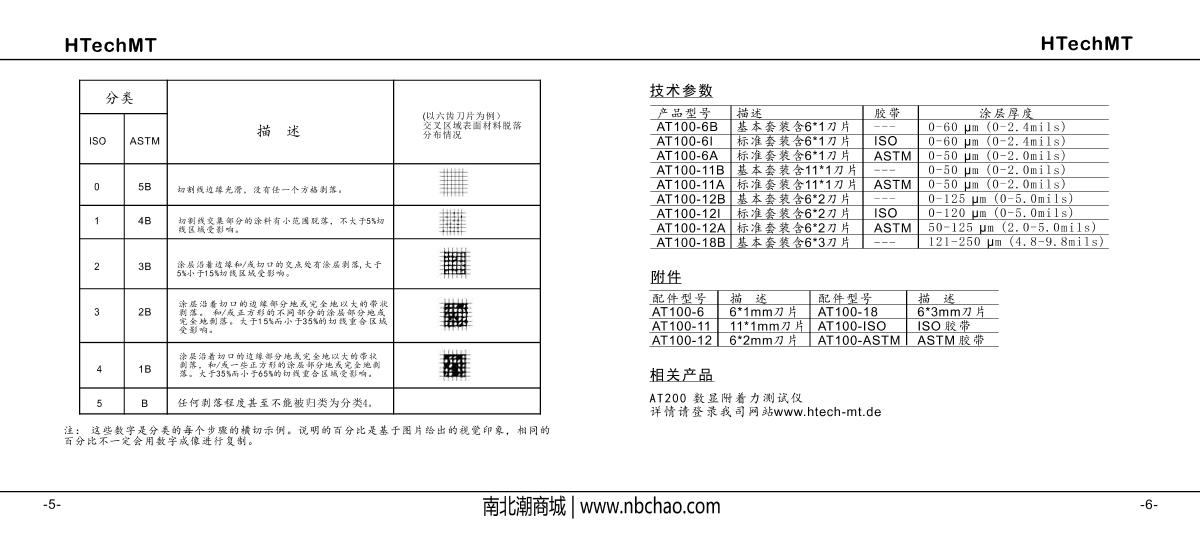
HTechMT AT100-18B Adhesion cutter Manual,OI
Related products
-
TRUIT TR 5001/5 Single Face Cross Hatch Cutter 3mm/6 Teeth6 teeth3mmHard substrate or soft substrate with film thickness 121μm~ 250μm¥480.0SE
Recommended for more manual
- 1SHIBO Manual
- 2Elcometer F10713222-5C Cross cutter Manual
- 3Elcometer F10713348-1 Cross cutter Manual
- 4Defelsko CHDTISOTAPE Adhesion testing tape Manual
- 5TQC sheen SP1683 Adjustable cross-cut adhesion Tester Manual
- 6KeXin QFH 11 teeth 1 + 2mm QFH Type Cross Hatch Cutter Manual
- 7TQC sheen SP1663 Cross-cut Tester Manual
- 8Pushen HGQ 1*10 Cross Hatch Cutter Manual
- 9JingKeLian QFH 6 teeth Cross-cut adhesion Tester Manual
- 10TQC sheen SP1682 Adjustable cross-cut adhesion Tester Manual
