kedida CT-6658 PH/ORP Controller Manual,OI
Related products
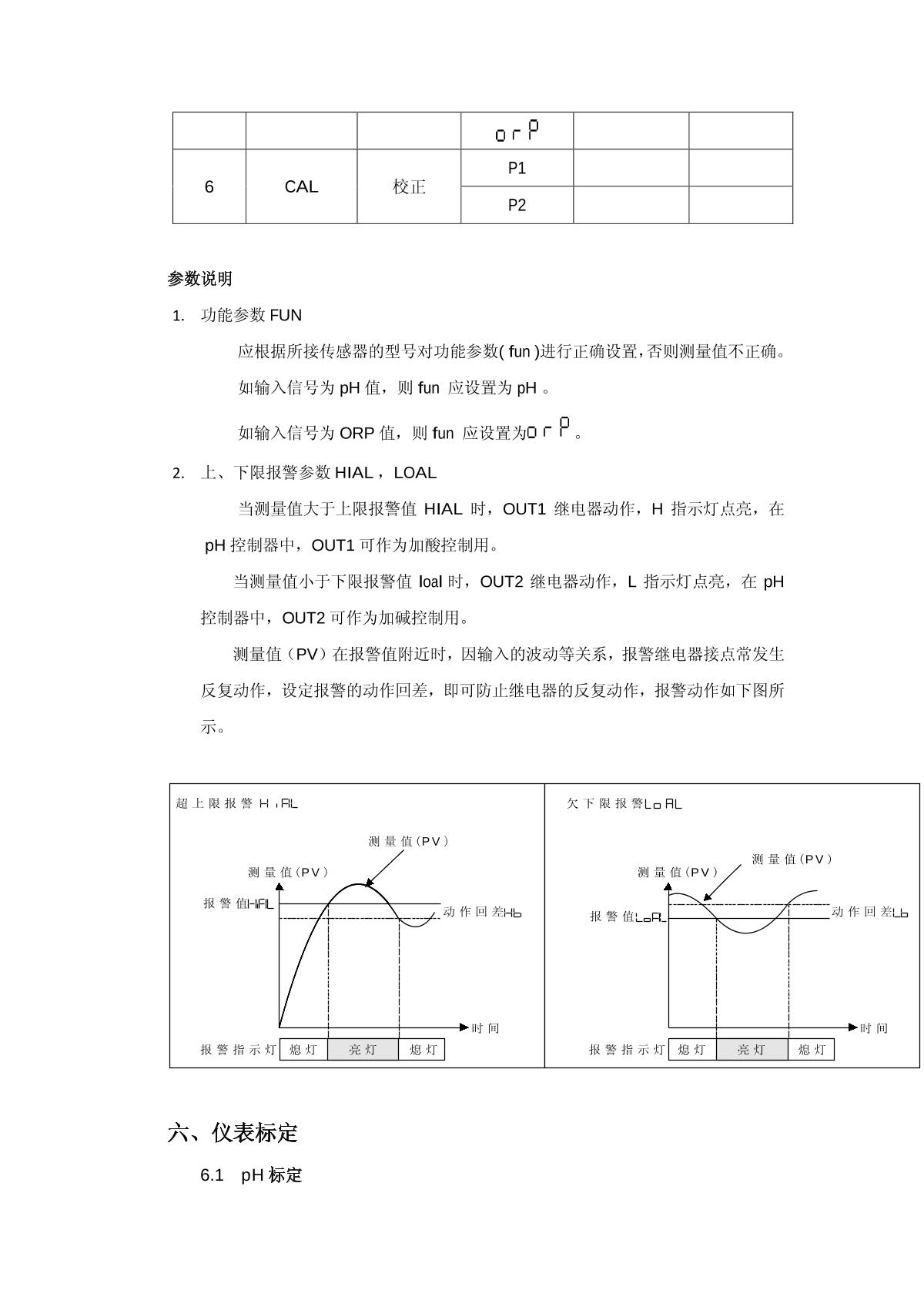
-
Bante221-ORP Portable pH/ORP Meter E201 Plastic PH electrode + 501 Plastic ORP electrode-2.000~20.000pH±0.002pH0.1, 0.01, 0.001pH, optional¥2420.0SE -
Bante220-ORP portable pH/ORP meter E201 plastic pH electrode + 501 plastic ORP electrode-2.00~16.00pH±0.01pH 0.01pH¥1550.0SE -
KeDiDa CT-6659 Industrial PH Tester, Electrodeless Range: 0.00~14.00pH0.00~14.00pH±0.01pH0~100℃¥1080.0SE -
Kodida CT-6658 PH/ORP Controller, Electrodeless Range: 0.00~14.00pH0.00~14.00pH±0.01pH0~100℃¥950.0SE -
-
-
LANDTEK PH/ORP-2000 acid alkalinity controller, acid alkalinity and oxidation-reduction potential dual-use0~14pH±0.01pH220 VAC 50 Hz 或 110 VAC 60 Hz¥850.0SE
Recommended for more manual
- 1Bante Bante220-CN Portable pHmeter Manual
- 2Bante PHscan20F-E Pen pH Meter Manual
- 3kedida CT-6021AL pH meter Manual
- 4Bante PHscan20S-E Pen pH Meter Manual
- 5JENCO 3676 (set) pH oxidation controller Manual
- 6JENCO 691 Online acid alkalinity transmitter Manual
- 7Bante PHS-25CW-CN Laboratory pH Meter Manual
- 8JENCO 6309POT PH/oxidation/temperature controller Manual
- 9JENCO 6308PT pH temperature controller Manual
- 10kedida CT-6022 pH meter Manual
