




Haibao HS series digital display Shore Hardness Tester is a combination of measuring device and data processing function, compact structure, accurate measurement and easy to carry. HS-A digital display Shore Hardness Tester is a type A Shore Hardness Tester in the HS series, the hardness range of measurement is 0-100HA, and the measurement resolution is 0.1HA. The test data of the HS-A digital display Shore Hardness Tester is displayed on a small LCD, which is convenient for reading, and it is powered by a battery, which is especially suitable for outdoor testing.
HS-A digital display Shore Hardness Tester is suitable for testing plastics (such as films, medical devices, etc.), synthetic rubber (such as seals, tires, rubber rollers, hoses/belts, wires and cables, shock absorbers, etc.) and other related chemicals The hardness value of the product.

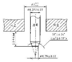
The digital display Shore Hardness Tester will have a steel indenter with a certain shape (the pointer of the A-type digital display Shore Hardness Tester is shown in the figure below), and it will be vertically pressed into the surface of the sample under the action of the test force. When fully fitted, the tip of the indenter has a certain extension length L relative to the plane of the presser foot. The Shore hardness is represented by the value of L. The larger the L value, the lower the Shore hardness, and vice versa.
Type AHA=100-L/ 0.025
The HS-A digital display Shore Hardness Tester uses a sensor to measure the displacement of the indenter, and then calculates and processes it through the CPU to obtain the Shore hardness, and directly displays the Shore hardness value.
1. Zero point calibration: After turning on the machine, the HS-A digital display Shore Hardness Tester is in the working state, the indenter stretches out to the maximum at this time, and the hardness value on the screen should display zero.
2. Non-zero point calibration: Put the bottom surface of the HS-A digital display Shore Hardness Tester in full contact with the flat glass plate, so that the extension length of the indenter is zero, and the hardness value displayed on the screen should be 100.



