AMITTARI HBa-1+ Pasteur Hardness Gauge Manual,OI
Related products
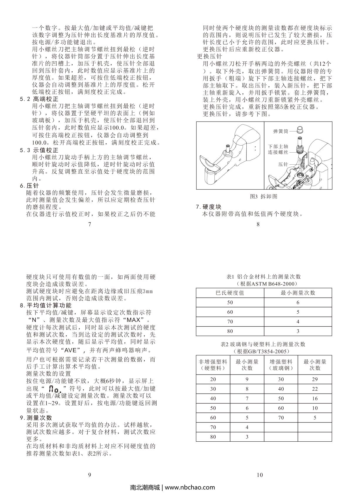
-
LANDTEK HM-934-1 + Pasteur Hardness Gauge0~100HBa, equivalent to 25~ 150HBW0.1HBa81~88HBa ±1HBa、42~48HBa ±2Hba¥4000.0SE -
Digital Pasteur Hardness Gauge AMITTARI HBa-1 used in aluminum processing industryPap Hardness Value HBa (Miscellaneous Hardness can be calculated by experimental Linear dispersion)0~100 HBa, equivalent to 25~ 135 HBW0.1Hba¥3180.0SE -
LANDTEK HM-934-1 digital display pasteur Hardness Gauge special indentation Hardness Tester for aluminum industry0~100HBa, equivalent to 25~ 135HBW0.1HBa81~88HBa±1HBa;42~48HBa±2Hba¥3090.0SE
Recommended for more manual
- 1AMITTARI AS-120DW Wood surface Hardness Gauge Manual
- 2Leeb W-20 Wechsler Hardness Tester Manual
- 3LANDTEK Manual
- 4Duban DB20-LX-NT Hardness pen/Newton pen Manual
- 5Duban DB13-934-1+ Pasteur Hardness Gauge Manual
- 6LANDTEK HM-934-1+ Pasteur Hardness Gauge Manual
- 7Duban DB25-204G Grain feed pellet durometer Manual
- 8LANDTEK HT-6510S-B Sand surface Hardness Gauge Manual
- 9PoRuiKe HVS-1000A Microscopic Hardness Tester Manual
- 10Duban DB22-LX-SC Foundry sand Hardness Gauge & wet mold sand Hardness Gauge Manual
