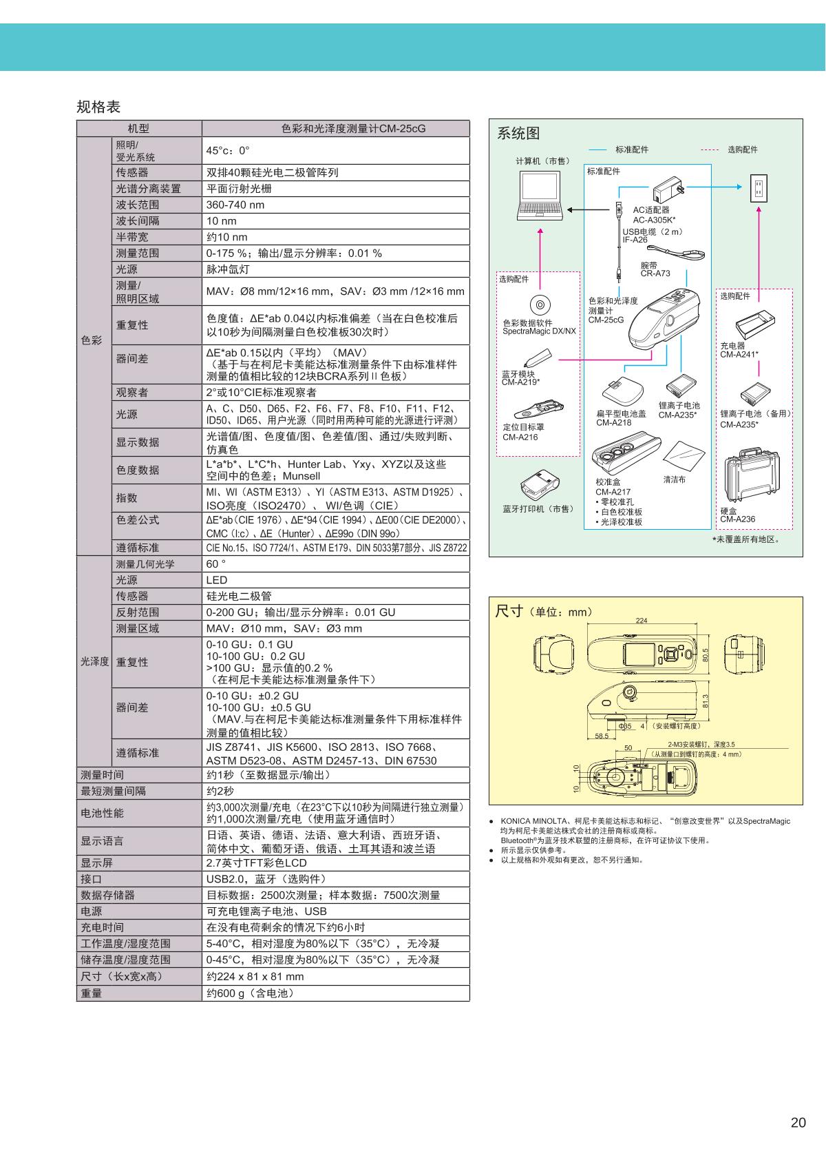
KONICAMINOLTA CM-25cG Color and gloss measurement brochure
Recommended for more brochure
- 13NH ST-700d Array ColoriMeter brochure
- 23NH PS2020 Spectroscopic ColoriMeter brochure
- 33NH YS4510 Raster ColoriMeter brochure
- 4CHNSpec DS-1100 Image ColoriMeter brochure
- 5CHNSpec CS-390 Three Angle ColoriMeter brochure
- 63NH CR7+ Spectroscopic color difference treasure brochure
- 73NH CR9 Spectroscopic color difference treasure brochure
- 83NH YS4560 Raster ColoriMeter brochure
- 9CHNSpec CS-660A ColoriMeter brochure
- 103NH Colorimeter TOP Color difference treasure brochure
