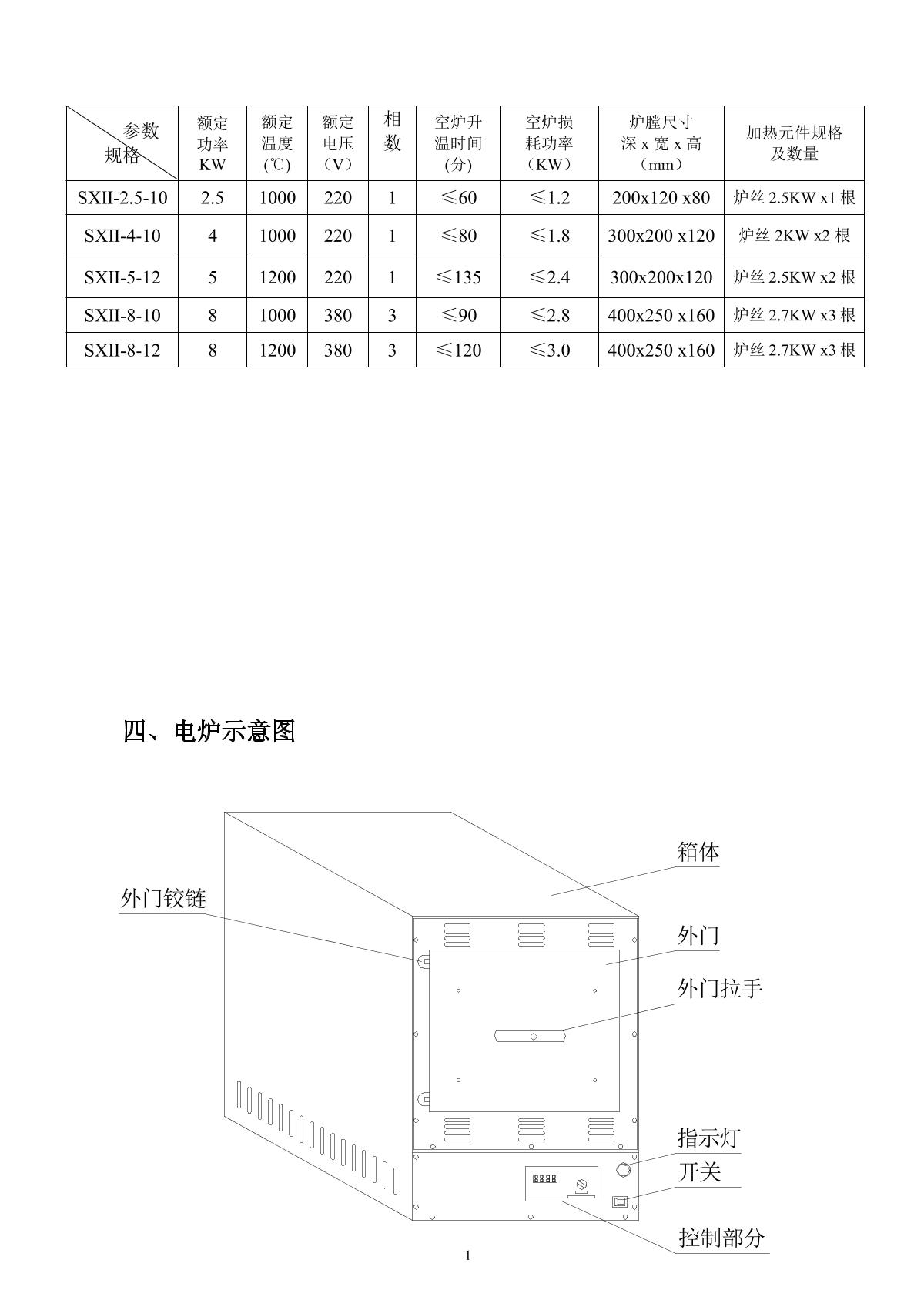
Kenton SXII-4-10 Digital display box Resistance Furnace Manual,OI
Related products
-
-
BOZHEN BZ-4-10 integrated muffle furnace Box-Type Resistance Furnace 4KW 1000 ℃1000℃4KW120*200*300mm¥2200.0SE -
BOZHEN BZ-4-10P program temperature control muffle furnace 30 program programming PID temperature control 7L1000℃100~1000℃Wirecoil for heater¥2900.0SE -
YIHENG SX2-4-10NP programmable Resistance Box Furnace input power 4KW1000℃Wirecoil for heater7L¥6030.0SE -
YIHENG SX2-4-10N Resistance Box Furnace input power 4KW refractory brick furnace1000℃Wirecoil for heater7L¥5360.0SE -
-
Recommended for more manual
- 1Kenton SXII-8-12 Digital display box Resistance Furnace Manual
- 2RONGHUA SX2-4-10 Box-Type Resistance Furnace Manual
- 3RONGHUA SX2-2.5-12 Box-Type Resistance Furnace Manual
- 4HuiTai 2.5-10TP Ceramic fiber muffle Furnace Manual
- 5HuiTai 16-10TP Ceramic fiber muffle Furnace Manual
- 6LICHEN SX2-4-10LT Ceramic fiber Box Furnace Manual
- 7Kenton SXII-2.5-10 Digital display box Resistance Furnace Manual
- 8LICHEN SX2-8-10LT Ceramic fiber Box Furnace Manual
- 9RONGHUA SX2-12-10 Box-Type Resistance Furnace Manual
- 10HuiTai 1.5-12TP Ceramic fiber muffle Furnace Manual
