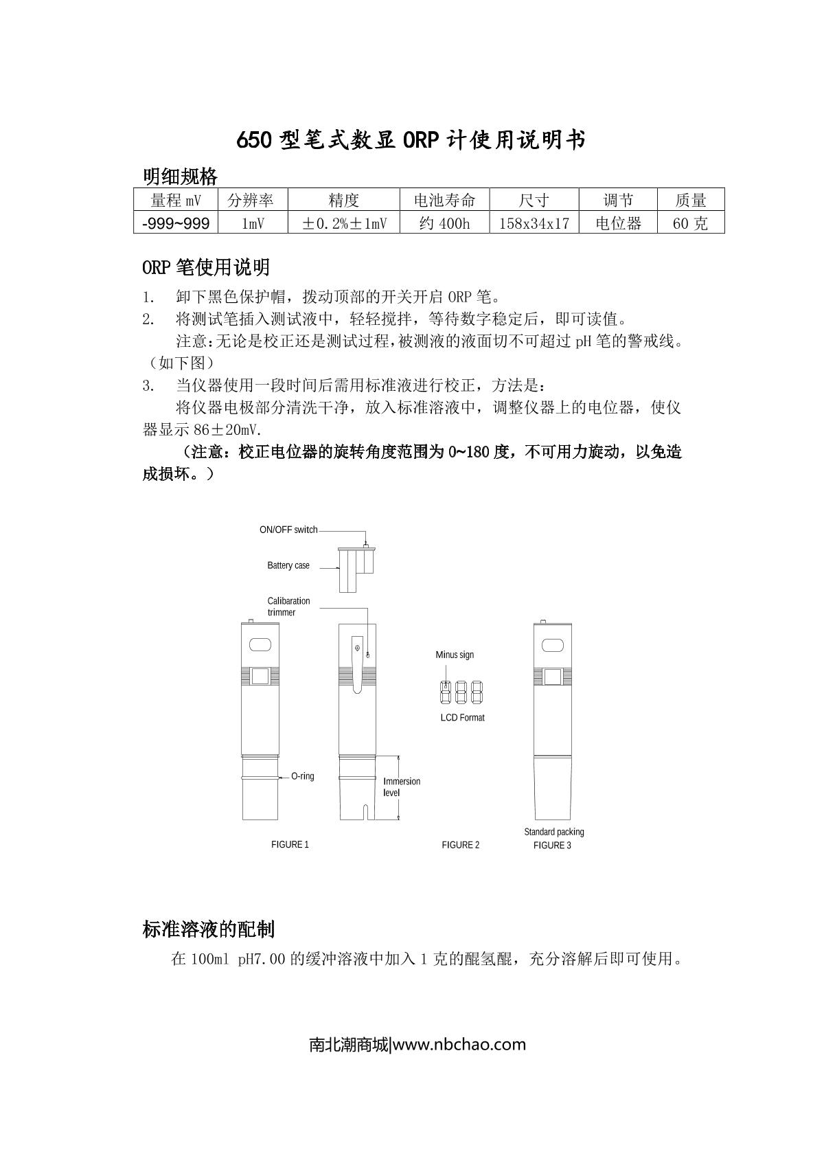
JENCO 650 pH oxidation reduction Tester Manual,OI
Related products
-
Qi Wei, plastic case with temperature compensation 5 meters line measurement accuracy 0.01 temperature range 0~60 ℃0~14pH±0.01pH0~60℃¥220.0SE -
FANGZHOU FZ-861 PH Glass electrode electrolysis solution, Eletroplating solution, chemical reagent PH testPH value1~13pH0~130℃¥1180.0SE -
DDKSIC 201T three composite pH electrode environmental protection, chemical industry, energy, conventional water sample measurementplastic shell1 meter10KΩ¥263.0SE -
-
-
BANTE P22 pH electrode for measurement of high temperature samples0~14pH0~130°C, 32~266°FAgCl¥1840.0SE -
FANGZHOU PHBJ-360F Portable pH Meter ph Portable acidity meter 0.001 gradeLevel 0.001-5.000~20.000pH0.001pH/0.01pH/0.1pH (adjustable)¥3980.0SE -
-
Kodida CT-6658 PH/ORP Controller, Industrial pHmeter with electrodes CT-10010.00~14.00pH±0.01pH0~100℃¥1080.0SE -
Qiwei PHS-3CW pH meter (desktop microcomputer)0~14pH±0.01/0.1pHpH: 0.01pH/Temperature: ± 1 ℃¥480.0SE
Recommended for more manual
- 1Yoke P901 Button Desktop Acidity Meter Manual
- 2YOWEXA YW-612 PH Detector Manual
- 3JENCO 3676 pH oxidation controller Manual
- 4JENCO 3621 pH oxidation controller Manual
- 5Bante PHscan20S-E Pen pH Meter Manual
- 6AOLILONG PHB-10 Pen pH meter Manual
- 7FZchina PHS-3F+ Acidity meter Manual
- 8Bante PHS-3BW-CN Laboratory pH Meter Manual
- 9JENCO 691 Online acid alkalinity transmitter Manual
- 10LeiCi PHS-3C pH meter Manual
