Moderner KS-370C Coating rapid dispersion testing machine (floor clamping tank) Manual,OI
Related products
-
High Speed Disperser Qiwei FS-400D digital display High Speed Disperser with 2.5L drumSquare column with chain400W2~5kg¥1690.0SE -
High Speed Disperser Qiwei FS-400D Digital Display High Speed DisperserSquare column with chain400W2~5kg¥1610.0SE -
-
-
High Speed Disperser Qiwei FS-400D Digital Display High Speed Disperser with 5L Double Layer DrumSquare column with chain400W2~5kg¥2110.0SE -
-
TRUIT TR 2600/1 Coating Rapid Dispersion Testing Machine, Floor Type, Clamp Type220V AC 50Hz550W660rpm¥9400.0SE
Recommended for more manual
- 1QiWei SDF-1100 / 2.5L Vertical Knob Disperser Manual
- 2QiWei JFS-550B (automatic lift) Frequency Converter Disperser Manual
- 3Pushen PS 2812 Mixing matte dispersion multi-purpose machine Manual
- 4QiWei FS-1100D/5L electric lift Disperser (digital display high speed) Manual
- 5SHIBO SFJ-400 Mixing and dispersing sand grinding multi-purpose machine Manual
- 6QiWei JFS-750S Variable Frequency Disperser (Electric Lift) Manual
- 7HuXi HR-550JBF Laboratory High Speed ground Disperser Manual
- 8QiWei JFS-400 (automatic lift) Frequency Converter Disperser Manual
- 9Pushen PS 2816/1 Coating rapid dispersion testing machine Manual
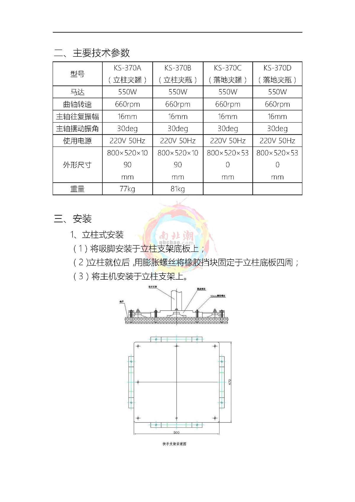
- 10Moderner KS-370A Coating rapid dispersion testing machine (column clamping tank) Manual
