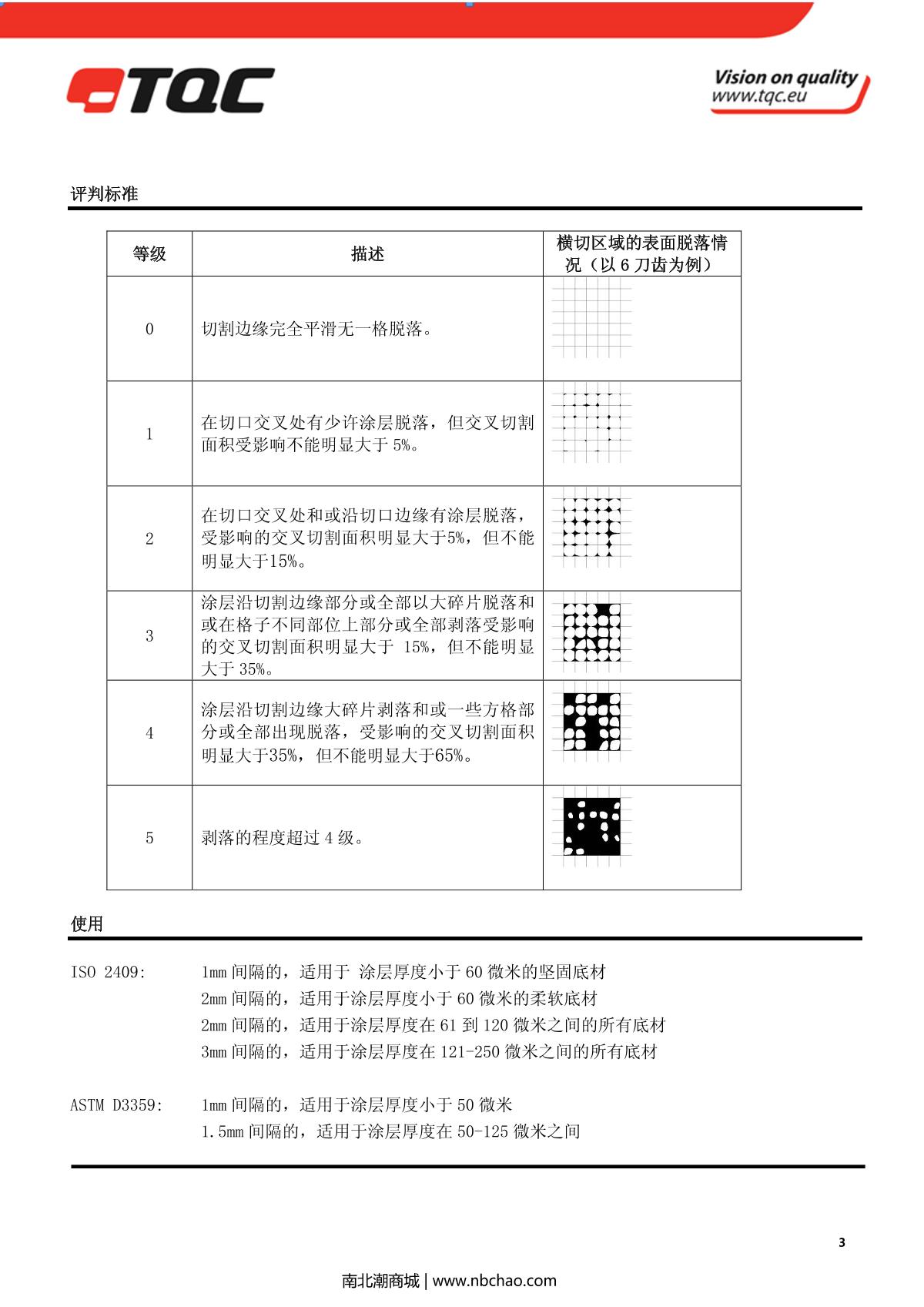
TQC sheen SP1661 Cross-cut Tester brochure
Related products
-
TQC VF2028 Viscosity Cup filter, stainless steel 8mm8mmApproximate DIN 53211stainless steel¥508.0SE -
-
TQC CX2063 furnace temperature probe, maximum temperature: 300 ℃/570 ° F measurement use: workpiece surface/airCX2063 Contact Temperature Probe150cmTeflon¥1560.0SE -
TQC SP1704 cross-cut cutter head 6 teeth, spacing 3mm for CC2000/CC3000 series6 teeth3mmstainless steel¥1893.0SE -
TQC VF2125 wide-channel Grindometer Range 0-250 µm with calibrated certificateSingle-channe10~250μm¥10363.0SE -
TQC SP1820 cylindrical mandrel bending Tester, test plate size 180x100mmΦ3.1~38mm2/3/4/5/6/8/10/12/13/16/19/20/25 and 32mm100*180mm¥24825.0SE -
TQC CX2050 furnace temperature probe, maximum temperature: 300 ℃/570 ° F measurement use: workpiece surfaceCX2050 Clamp-on Workpiece Surface Probe150cmTeflon¥2462.0SE -
TQC SP1703 cross-cut cutter head 6 teeth, spacing 2mm for CC2000/CC3000 series6 teeth2mmstainless steel¥1893.0SE -
Electronic Digital Display Thermohygrometer TQC RV2100 Industrial Handheld Digital Display Thermohygrometer-20~50/70℃±1.5℃0.1℃/℉¥2945.0SE -
Recommended for more brochure
- 1BEVS brochure
- 2TQC sheen SP1690 Single Cross Hatch Cutter brochure
- 3BYK 5128 Cross-cut Tester Kit 3mm brochure
- 4BEVS brochure
- 5Elcometer T99913700-3 Cross cutter head brochure
- 6Elcometer F10713222-1C Cross cutter brochure
- 7TRUIT TR 5006 / 3 Cross-cut board brochure
- 8BEVS brochure
- 9BEVS brochure
- 10Pushen HGQ 1mm Single Blade Cross Hatch Cutter brochure
