China

Huazhike WT100S-64 multi-temperature Recorder, temperature data Recorder -200~1820 ℃/64 channels

SE
64 channels, 5-inch touch screen display, unique correction per channel, cold junction correction, limit alarm, list value display
$1228.00/set
PromotionLoading...
Coupon
Model:
Certificate

Wasites WT100S-64 Multi-channel temperature Recorder (upgrade regular version)SPEC

Wasites WT100S-64 Multi-channel temperature Recorder (upgrade regular version)Details

Wasites WT100S-64 Multi-channel temperature Recorder (upgrade regular version)Packing list

SKU
NB047923
Number of channels
64 way
Display mode
5 inch TFT true color LCD industrial touch screen 854 * 480 pixels
display format
Real-time list values, current alarm list, file record list.
record query
Analyze queries in computer software.
number of channels
8 channels per module. Up to 64 channels are supported
Thermocouple
KJETNSRB
Basic Precision
0.2 ℃ + 2 characters (without Thermocouple error)
Measurement range
-200~1820 ℃ (subject to Thermocouple indexing range)
cold junction compensation
Accuracy: 0.5 ℃
resolution
0.1℃
correction
Independent error correction per channel Y = kx + b (x = Measured value)
Number of files
64 (loop record), file format: CSV (directly open with EXCEL)
file Capacity
A file can record the number 130,000 groups (without distinguishing between Number of channels)
U disk interface
Export record files, change the U disk function in seconds (the instrument is a U disk), and directly view files and software.
recording time
The 1-second recording interval is recorded continuously for 97 days, and the total duration is calculated = the recording interval is X97 days.
Sampling speed
Fast per channel: 0.1S. Slow speed: 1S
channel isolation
AC/DC up to 350V, high Voltage live measurement. Super anti-interference ability
Control output
without
Alarm sound
Buzzer sound all the way (sound at any alarm, can be set to mute)
recording interval
1-9999 seconds arbitrary setting
Communication interface
Standard USB (optional RS485, RS232).
Power supply
AC85- 265V +/- 10%, Frequency 50Hz/60Hz < 1 0W
Thermocouple
Standard per channel - 2 m K type Thermocouple
size
Width 220X Depth 293X Height (including feet) 106mm
Weight
About 3Kg (different configurations vary)
environmental conditions
5~ 40 ℃, 20%~ 80% RH (no condensation)
WT100S-64
Multi-channel temperature Recorder (upgrade regular version)
64 channels, 5-inch touch screen display, unique correction per channel, cold junction correction, limit alarm, list value display
Huazhike WT100S-64 multi-temperature Recorder, temperature data Recorder -200~1820 ℃/64 channels Picture

overview

This multi-channel temperature collector uses a 32-bit high-speed CPU for data processing, and adopts a 5-inch machineIndustrial display, support KJETNSRB thermocouple input, a variety of display methods,The user can read the parameters more intuitively, and the instrument has perfect functions and superior performanceThe simple operation features can meet the needs of production, laboratory and R&D measurements.

It is widely used in lighting appliances, power tools, household appliances, motors, and electric heating appliancesPharmaceutical, petroleum, chemical, metallurgy, electric power and other industries and scientific research units and other fields of production enterprisesproduction lines, laboratories, and quality inspection departments.

According to the actual needs of the user, a variety of measurement functions can be customized to meet higher applications.

peculiarity

▲HD 5-inch IPS industrial-grade LCD touch screen, resolution 854X480..

▲Using 32-bit high-speed MCU data processing + 24-bit high-speed AD measurement chip, the response speed is fast,High precision, stability and reliability.

▲Support 4/8/16/32 multi-interface real-time value display.

▲Support a variety of sensor inputs: K JETNSRB

▲The Voltage difference between channels can be as high as AC/DC 350V, with super anti-interference ability.

▲Each channel can be set independently to the alarm value of too high or too low, and has the function of sound and light alarm.

▲Independent error correction for each channel Y=KX+B.

▲Built-in 8G large memory, file list display, up to 64 files, each file130,000 sets of data with 1-second intervals can be recorded continuously for up to 97 days.

▲ Record files can be deleted and exported by single or multiple selection, and Excel files can be directly exported from U disk and PC.

▲The instrument changes to a U disk in seconds, and directly reads the recording files, manuals and software.

▲It has a communication address code setting, which can be used in parallel in multiple places and multiple machines, and provides a communication protocol.

▲Standard USB communication interface, optional RS232 or RS485 communication interface.

▲Modular design, 8 channels per module, up to 64 channels, automatic identification for expansion.

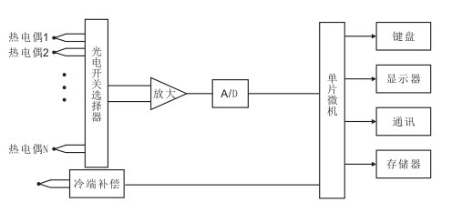
Principle

Principle

As shown in the figure, the instrument consists of thermocouples, photoelectric switch selectors, amplifiers, A/D, monolithic microcomputers, keyboards, displays, communications, data memory, cold junction compensation and other partsCompose.

The corresponding channel signal is selected by the photoelectric switch selector, the signal is amplified by the signal amplifier, and then the analog signal is converted into a data signal through the AD converterThe single-chip microcomputer carries out data processing, and the cold-end compensation circuit carries out normal temperature measurement to obtain the cold-end temperature value, and the measurement signal and the cold-end temperature value are processed by the single-chip microcomputer, and finally the correct measurement temperature value is displayed on the display screen.

Keyboards, communication, and data memory can be used to set and store data on the display screen for analysis. It can also be connected to the computer through the communication interface and the data can be carried out directly by the computerAnalyse.

Operator interface

Serial models

  • WT100S-32

32-channel, 5-inch touch screen display, single position correction for each channel, cold end correction, limit alarm, list value display

  • WT100S-40

40-channel, 5-inch touch screen display, single-position correction for each channel, cold-end correction, limit alarm, list value display

  • WT100S-48

48-channel, 5-inch touch screen display, unique correction for each channel, cold-end correction, over-limit alarm, list value display

  • WT100S-56

56-channel, 5-inch touch screen display, single-position correction for each channel, cold-end correction, limit alarm, list value display

  • WT100S-64

64-channel, 5-inch touch screen display, single position correction for each channel, cold end correction, limit alarm, list value display



FAQ
QIs the price listed on the website the final cost for overseas purchases?
ANo, it isn't. This is the ex-factory price of the product in the Chinese Mainland. In addition to this price, buyers from different countries need to account for additional costs such as shipping fees, tariffs, and others. For specific regional quotes, please consult our customer service or fill out a quotation form.
QWhat is the specific process for purchasing the product?
AFirst, please click on the quotation form on the website and fill in detailed information. Our customer service personnel will then send you a quotation based on your specific country and region, confirming payment and delivery methods. Following this, we proceed with contract signing, payment, and shipment. You can then await delivery.
QWhat should I do if the instrument I purchase needs repair?
AAfter-sales repair for overseas instruments is an unavoidable issue. Our repair terms stipulate that the sender is responsible for the shipping and insurance costs incurred for the repair. Repairs within the warranty period are free, while repair costs beyond the warranty period are determined based on the actual situation.