China

Huazhike WT100P-24 multi-channel temperature Recorder, temperature Detector 24-channel Linear dispersion version

SE
24-Channel, 5-inch touchscreen display, unique correction per channel, cold junction correction, over-limit alarm, list, Linear dispersion, bar chart
$669.00/set
PromotionLoading...
Coupon
Model:
Certificate

Wasites WT100P-24 Multi-channel temperature Recorder (Linear dispersion version)SPEC

Wasites WT100P-24 Multi-channel temperature Recorder (Linear dispersion version)Details

Wasites WT100P-24 Multi-channel temperature Recorder (Linear dispersion version)Packing list

SKU
NB047926
Display mode
5 inch TFT true color LCD industrial touch screen 854 * 480 pixels
display format
Real-time list, Linear dispersion (historical Linear dispersion), bar chart, current alarm (historical alarm), file record list.
record query
This machine view records Linear dispersion, historical alarm records, computer software analysis query..
Thermocouple
KJETNSRB
Basic Precision
0.2 ℃ + 2 characters (without Thermocouple error)
Measurement range
-200~1820 ℃ (subject to Thermocouple indexing range)
cold junction compensation
Accuracy: 0.5 ℃
resolution
0.1℃
correction
Independent error correction per channel Y = kx + b (x = Measured value)
Number of files
64 (cyclic record)
file Capacity
A file can record the number 130,000 groups (without distinguishing between Number of channels)
U disk interface
Export record files, change the U disk function in seconds (the instrument is a U disk), and directly view files and software.
recording time
The 1-second recording interval can be recorded continuously for 97 days, and the total duration is calculated = the recording interval is X97 days.
Sampling speed
Fast per channel: 0.1S, slow: 1S
channel isolation
AC/DC up to 350V, high Voltage live measurement, super anti-interference ability
Control output
Two independent relay outputs, namely (H/L) and (HH/LL) relays
Alarm sound
Buzzer sound all the way (sound at any alarm, can be set to mute)
recording interval
1-9999 seconds arbitrary setting
Communication interface
Standard USB, RS485
Power supply
AC85-265V + 10%, Frequency 50Hz/60Hz < 10W
Thermocouple
One 2m K Thermocouple per channel
size
Width 220X Depth 293X Height (including feet) 1 06mm
Weight
About 3Kg (different configurations vary)
environmental conditions
5~ 40 ℃, 20%~ 80% RH (no condensation)
WT100P-24
Multi-channel temperature Recorder (Linear dispersion version)
24-Channel, 5-inch touchscreen display, unique correction per channel, cold junction correction, over-limit alarm, list, Linear dispersion, bar chart
Huazhike WT100P-24 multi-channel temperature Recorder, temperature Detector 24-channel Linear dispersion version Picture

overview

This multi-channel temperature collector uses a 32-bit high-speed CPU for data processing, and adopts a 5-inch industrial systemThe display screen supports K J E T N S R B type thermocouple input, a variety of display methods, usersIt can read all parameters more intuitively, and the instrument has perfect functions, superior performance and simple operationSingle features to meet the needs of production, laboratory and R&D measurements.

It is widely used in lighting appliances, power tools, household appliances, motors, and electric heating appliancesPharmaceutical, petroleum, chemical, metallurgy, electric power and other industries and scientific research units and other fields of production enterprisesproduction lines, laboratories, and quality inspection departments.

According to the actual needs of the user, a variety of measurement functions can be customized to meet higher applications.

peculiarity

  • HD 5-inch IPS industrial-grade LCD touch screen with a resolution of 854X480

  • Using 32-bit high-speed MCU data processing + 24-bit high-speed AD measurement chip, the response speed is fast,High precision, stable and reliable.

  • Multi-interface display, file list, real-time list display, column chart display, real-time/record/Analysis curve display, alarm list, system settings, etc.

  • Support 4/8/16/32 multi-interface real-time value display.

  • Supports multiple sensor inputs: K J E T N S R B

  • Each channel can be set to use a different thermocouple type.

  • THE NAME OF EACH CHANNEL CAN BE CUSTOMIZED, AND THE CUSTOM NAME CAN BE EXPORTED TO EXCEL.

  • The Voltage difference between channels can be as high as AC/DC 350V, which has super anti-interference ability

  • Each channel can have sound and light alarm function. Independently set the alarm value of too high or too low

  • Independent error correction for each channel Y=KX+B

  • The built-in 8G large memory file list display, which supports up to 64 files and 130,000 per fileGroup data, with 1 second intervals, can be recorded continuously for up to 97 days

  • Record files can be deleted and exported to disks and direct export files by single or multiple selections

  • Double relay alarm output. Standard communication interface USB RS485

  • With the communication address code setting, it can be used in parallel in multiple places and multiple machines, and the communication protocol can be provided

  • USB communication interface is standard, RS232 or RS485 communication interface can be selected

  • Modular design, 8 channels per module, up to 64 channels, automatic identification of capacity expansion

  • Multi-level alarm indication, HH, H, L, LL alarm setting and alarm indication (equipped with relay transmissionout), and you can view the historical alarm recording function

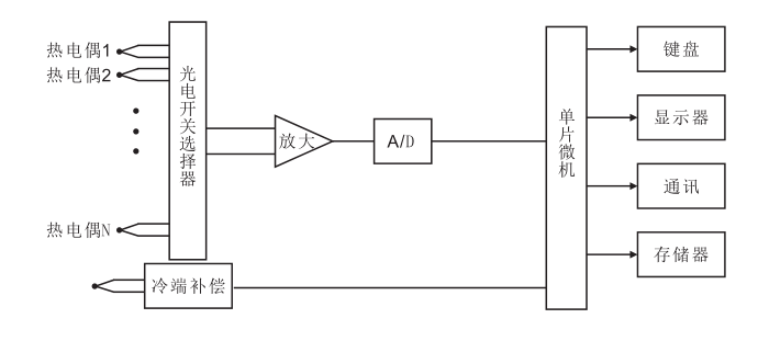
Principle

Principle

As shown in the figure, the instrument consists of a thermocouple, a photoelectric switch selector, an amplifier, A/D,Monolithic microcomputer, keyboard, display, communication, data memory, cold end compensation and other partsCompose.

The corresponding channel signal is selected by the photoelectric switch selector and passed through the signal amplifierThe signal is amplified, and then the analog signal is converted into a data signal through the AD converterThe single-chip microcomputer processes the data, and the cold-end compensation circuit measures the temperature at room temperature to obtain the coldEnd temperature value, measurement signal and cold end temperature value are processed by a single-chip microcomputerThe correct measured temperature value is displayed on the display.

Keyboard, communication, and data memory can be used to set and store data on the displayReserve for analysis. It can also be connected to the computer through the communication interface and the data can be carried out directly by the computerAnalyse.

Panel features

Panel features

Temperature profile

Panel symbols

Serial models

WT100P-8WT100P-16WT100P-24WT100P-32WT100P-40WT100P-48WT100P-56WT100P-64
Route 08Route 16No. 24No. 32No. 40No. 48No. 56No. 64
5-inch touch screen display, unique correction per channel, cold end correction, over-limit alarm, list, curve, column chart



FAQ
QIs the price listed on the website the final cost for overseas purchases?
ANo, it isn't. This is the ex-factory price of the product in the Chinese Mainland. In addition to this price, buyers from different countries need to account for additional costs such as shipping fees, tariffs, and others. For specific regional quotes, please consult our customer service or fill out a quotation form.
QWhat is the specific process for purchasing the product?
AFirst, please click on the quotation form on the website and fill in detailed information. Our customer service personnel will then send you a quotation based on your specific country and region, confirming payment and delivery methods. Following this, we proceed with contract signing, payment, and shipment. You can then await delivery.
QWhat should I do if the instrument I purchase needs repair?
AAfter-sales repair for overseas instruments is an unavoidable issue. Our repair terms stipulate that the sender is responsible for the shipping and insurance costs incurred for the repair. Repairs within the warranty period are free, while repair costs beyond the warranty period are determined based on the actual situation.