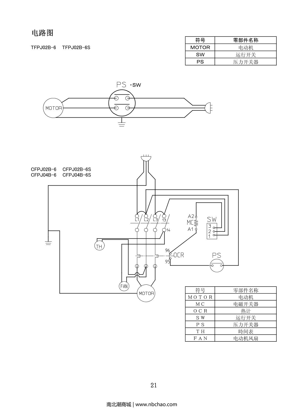
ANEST IWATA CFPJ02B-6 Oil-free piston Air Compressor Manual,OI
Related products
-
Air Compressor Dasheng DA7004 Power 3000woil freepiston608L/min at 0Bar,272L/min at 5Bar¥12000.0SE -
-
Dasheng OF500 (DA500 series dedicated) Air Compressor head, power 550woil free115L/min at 0Bar,55L/min at 5Bar550w¥1500.0SE -
-
GREELOY GA-64 Silent oil-free Air Compressor 2400W Power with 4 pump headsAir compressor without oilpiston8Bar¥10200.0SE -
-
-
GREELOY GA-81 Silent Oil Free Air Compressor Power 800WAir compressor without oilpiston8Bar¥3500.0SE -
Dasheng OF700 (DA700 series dedicated) Air Compressor head, power 750woil free152L/min at 0Bar,68L/min at 5Bar750w¥1800.0SE -
Piston Air Compressor DASHENG DA7001 Power 750woil free152L/min at 0Bar,68L/min at 5Bar30L¥3800.0SE
Recommended for more manual
- 1GREELOY GA-63 Oil-free Air Compressor Manual
- 2DaSheng DA7002 Oil-free Air Compressor Manual
- 3TuoWin TW7504 Silent Oil Free Air Compressor Manual
- 4GREELOY GA-81/4X Oil-free Air Compressor Manual
- 5COMBESTAIR BW1501 Air Compressor Manual
- 6COMBESTAIR BW1505 Air Compressor Manual
- 7DaSheng DA7001 Oil-free Air Compressor Manual
- 8DaSheng (4 pump heads) -CS Eliminating Speaker (Iron Shell) -CS Manual
- 9ANEST IWATA TFPJ110-10 Oil-free piston Air Compressor Manual
- 10GREELOY GA-61 Oil-free Air Compressor Manual
