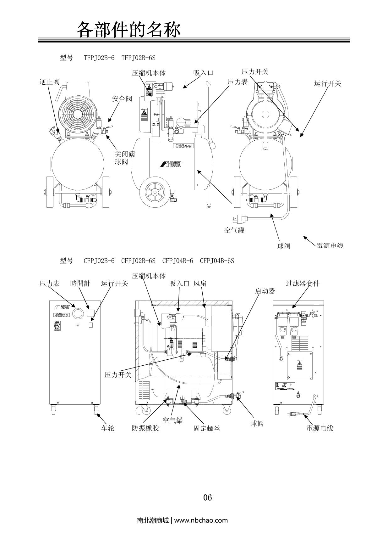
ANEST IWATA CFPJ04B-6 Oil-free piston Air Compressor Manual,OI
Related products
-
Silent oil-free Air Compressor DASHENG DA5001 Power 550woil freepiston115L/min at 0Bar;55L/min at 5Bar¥3300.0SE
Recommended for more manual
- 1GREELOY GA-82X Silent oil-free Air Compressor Manual
- 2DaSheng DA7001 Oil-free Air Compressor Manual
- 3GREELOY GA-81XY Silent oil-free Air Compressor Manual
- 4DaSheng OF700 (for DA700 series) Machine head Manual
- 5DaSheng DA7004 Air Compressor without oil Manual
- 6TuoWin TW7504 Silent Oil Free Air Compressor Manual
- 7GREELOY GA-62XY Silent oil-free Air Compressor Manual
- 8COMBESTAIR BW503 Air Compressor Manual
- 9GREELOY GA-62X Silent oil-free Air Compressor Manual
- 10GREELOY GA-81 Oil-free Air Compressor Manual
