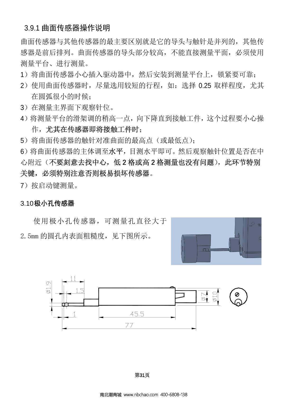
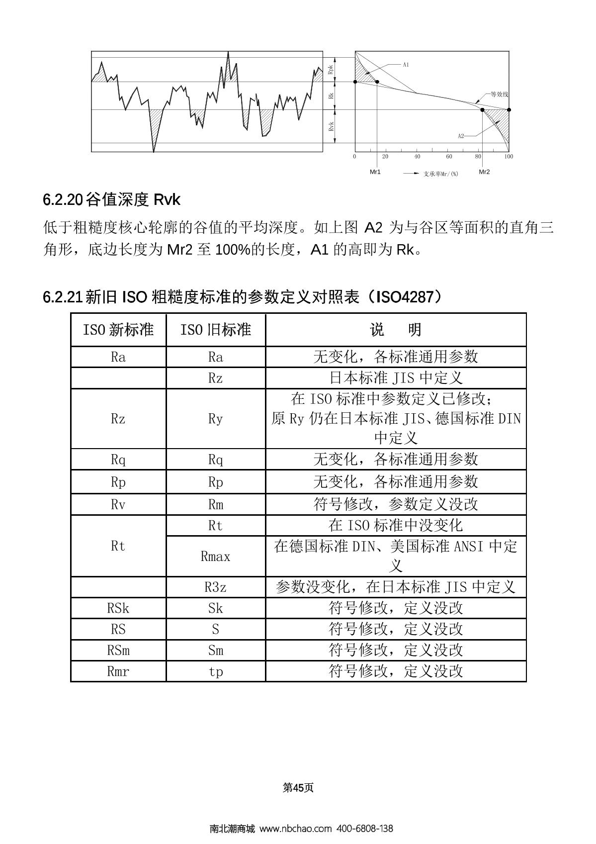
KairDa NDT160 Roughness Gauge Manual,OI
Related products
-
IPRE RA150 asperity Profile Gauge resolution 0.02μmMovement Accuracy: ≤ 0.5μm/80mmResolution: 0.1 μm; Origin: ChinaResolution: 0.02μm; Origin: Imported grating¥75050.0SE -
LEEB462 surface roughness multiparameter measurement supports bluetooth printing and mobile app+/- 80µm/+/- 160µm (enhanced)20mm0.01μm/±20μm;0.02μm/±40μm;0.04μm/±80μm;0.08μm/±160μm¥8000.0SE -
LEEB432 Surface Roughness Tester multiparameter measurement Measurement range 160μm17.5mm/0.7inchNot more than +/- 10%Not more than 6%¥5800.0SE -
LEEB400 Portable Roughness Gauge Measurement parameters Ra, Rz, Rq, RtRa、Rz、Rq、RtRa:0.05-10.0μm Rz:0.1-50μm0.25mm、0.8mm、2.5mm¥3500.0SE -
PRSR210 Digital Roughness Gauge supports 13 measurement parametersDigital display (128 × 64 OLED dot matrix liquid crystal (self-luminous))Ra、Rz、Ry、Rq、Rt、Rp、Rv、Rmax、R3z、RSk、RS、RSm、RmrOutput: 0.025 ~ 12.5μmSE -
Surface Finish Meter KAIRDA NDT120 Surface Finish Meter is suitable for a variety of surface finish inspectionsdigital displayRa、Rz=Ry(JIS)、Rq、Rt=Rmax、Rp、Rv、R3z、R3y、RzJIS、Rs、Rsk、Rku、Rsm、RmrRa: 0.005µm ~ 16.00µmSE
Recommended for more manual
- 1KairDa KA620 Marble measurement platform Manual
- 2AMITTARI AR-131A+ Sand blasting shot peening Roughness Gauge Manual
- 3AMITTARI AR-132A Surface roughness Meter Manual
- 4HTechMT SP310-XP rubbing paper Manual
- 5Elcometer E224C-BS Surface roughness Meter Manual
- 6HTechMT SP310-XC rubbing paper Manual
- 7Defelsko Standard SPG1-E Surface roughness Meter Manual
- 8Defelsko Advanced SPGCS3-E Surface profile measuring instrument Manual
- 9Duban DB22-SRT232 Surface roughness Meter Manual
- 10AMITTARI AR-132B Surface roughness Meter Manual
