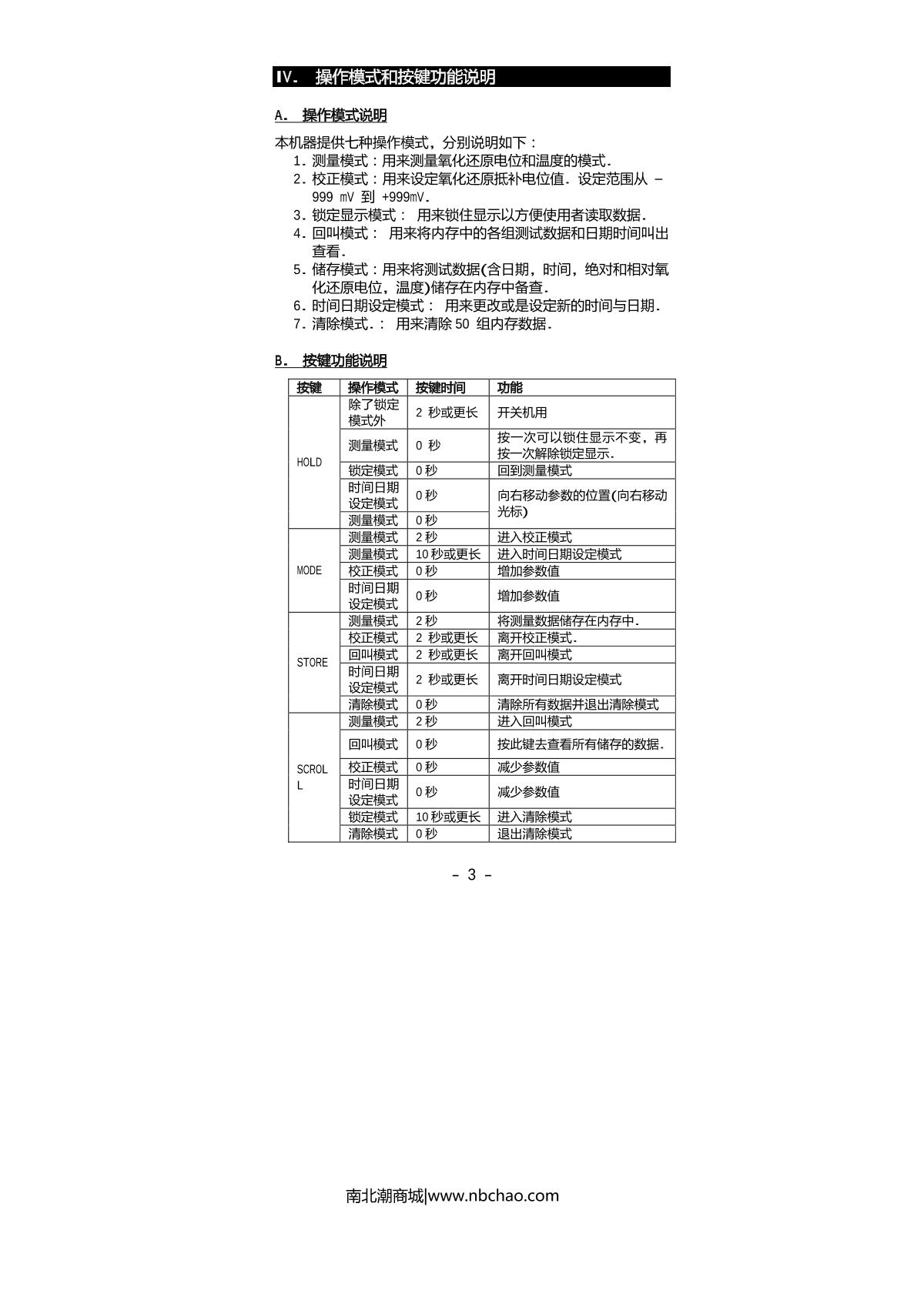
JENCO ORP628N Water quality Tester Manual,OI
Related products
-
-
BANTE 502 ORP electrode for measurement of weak Oxidation-reduction potentialRing platinum0~80℃,32~176°FAg/AgCl¥560.0SE -
TONGAO TR 6900CN STIP-scan detection of COD/Total nitrogen/Total phosphorus/turbidity/suspended solidsCOD, total phosphorus, total nitrogen, turbidity, suspended solids≤± 5%≤±5%¥27000.0SE -
-
-
LEICI DGB-402F Portable residual chlorine total chlorine TesterResidual chlorine: (0.00~3.00) mg/L total chlorine: (0.00~3.00) mg/L+/- 3% or +/- 0.02 mg/L≤1.0%¥3150.0SE -
TONGAO TR-900H multiparameter Water Quality Analyzer with 7 reagentsCOD, ammonia nitrogen, total phosphorus, total nitrogen, turbidity, heavy metals, inorganic salts and other dozens of parameters, optional 7 kinds of reagents0-10000Mg/L (segmented)1000mg/L¥33800.0SE -
LEICI 782500N02 Total Nitrogen Working Reagent Kit for DGB-401Total Nitrogen Working Reagent Kit1 pack of total nitrogen base reagent; 1 pack of total nitrogen potassium persulfate powder; 25 packs of total nitrogen anti-interference agent; 25 pcs of total nitrogen acid reagentDGB-401¥560.0SE -
LEICI DGB-428 Optoelectronic Colorimetry Water Quality Analyzer Water Hardness UreaWater Hardness, UreaWater Hardness: Calcium mg Reagent Method; Urea: Diacetyl-Oxime-Antipyrine Spectrophotometric method, spec-trophotometryWater Hardness: 470nm: Urea: 470nm¥2900.0SE -
Bante820 economical portable Dissolved Oxygen Meter with DO100 dissolved Oxygen electrode0.00~20.00mg/L±0.5mg/L0.01mg/L¥2070.0SE
Recommended for more manual
- 1TongAo TR 6900CNHN Desktop STIP-scan Manual
- 2Alalis Manual
- 3JENCO ORP628N Water quality Tester Manual
- 4Bante A180 Precision dissolved oxygen/BOD/OUR/SOUR meter Manual
- 5DDKSIC PD100T Desktop pH, Dissolved Oxygen Meter (touch screen) Manual
- 6DDKSIC CD100T Desktop conductivity, Dissolved Oxygen Meter (touch screen) Manual
- 7Bante Bante820 Portable Dissolved Oxygen Meter Manual
- 8DDKSIC PC100T Desktop pH, Conductivity Meter (Touch Screen) Manual
- 9Bante Bante904-CN Precision pH/conductivity /TDS/salinity/resistivity meter Manual
- 10DDKSIC PC100 Desktop pH, Conductivity Meter (push button) Manual
