This handheld multi-channel temperature collector uses high-speed CPU for data processing and 24-bit high-speed AD for data processingMeasurement, using 5-inch industrial display, supporting KJETNSRB thermocouple input, a variety of display partiesThe user can read the parameters more intuitively, and the instrument has perfect functions, superior performance and operationSimple features to meet the needs of production, laboratory and R&D measurements.
Widely used in lighting appliances, power tools, household appliances, motors, electric heating appliances medicine,Production lines and production enterprises in petroleum, chemical, metallurgy, electric power and other industries and scientific research unitsLaboratory and quality inspection department.
According to the actual needs of the user, a variety of measurement functions can be customized to meet higher applications.
HD 5 inch IPS industrial grade LCD touch screen, resolution 800X480.
Using high-speed MCU data processing + 24-bit high-speed AD measurement chip, fast response speed,High precision, stable and reliable.
Communicates with a computer via a wireless connection.
Wireless expansion of the measurement channel to achieve 40 channels of temperature measurement.
Fastest 0. Recording speed at 1 second interval, interval setting method HH:MM:SS. SSS。
Multi-interface display, file list, real-time list, column chart display, real-time/record/analysis curve displaydisplay, alarm list, system settings, etc.
It can be used to set detailed X-axis and Y-axis coordinates in real time, and realize up, down, left and right, zoom in and out, and time scaleThe line moves left and right, and can display the corresponding temperature value, and the intelligent curve adjustment.
Support 10, 20, 40 multi-interface real-time value display.
Supports multiple sensor inputs: K JETNSR B
Each channel can be set to use a different thermocouple type.
YOU CAN CUSTOMIZE THE NAME OF EACH CHANNEL AND EXPORT THE CUSTOM NAME TO EXCEL.
The Voltage difference between channels can be as high as AC/DC350V, and it has super anti-interference ability.
Each channel can be set independently to over-high and over-low alarm value, and has the function of sound and light alarm.
Independent error correction per channel Y=KX+B.
Built-in 8G large memory, file list display, up to 100 files, 120,000 groups per fileAccording to reports, 1 second interval can be recorded continuously for up to 138 days.
TYPE-C interface, 0TG function, set charging, communication, U disk, virtual U disk in one.
18W fast charging, fully charged in 2 hours, up to 10 hours of use (WIFI off).
High-speed USB flash drive interface, faster transmission speed, 40 times faster than ordinary MCU full speed.
RECORD FILES CAN BE DELETED AND EXPORTED WITH SINGLE OR MULTIPLE SELECTIONS, AND EXCEL FILES CAN BE EXPORTED DIRECTLY FROM U DISK AND PC.
Take screenshots with one click

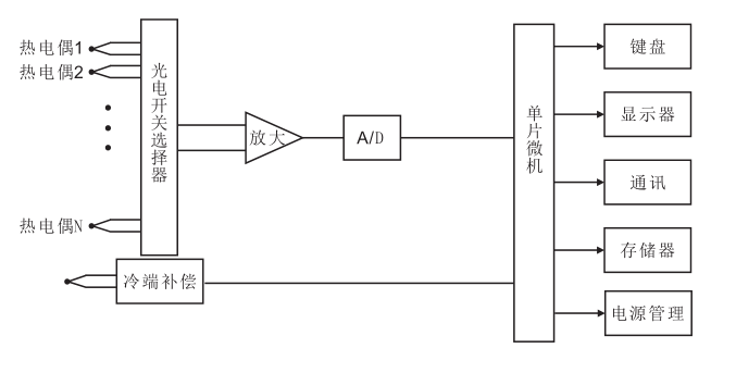
As shown in the figure, the instrument consists of a thermocouple, a photoelectric switch selector, an amplifier, an A/D, and a monolithic microMachine, keyboard, display, communication, data memory, power management, cold end compensation and other groupsYes.
The photoelectric switch selector selects the corresponding channel signal and signals it through the signal amplifierAmplification, and then through the AD converter for analog signal conversion into data signal to a single microcomputer for dataprocessing, the cold junction compensation circuit is measured at room temperature, the cold junction temperature value is obtained, and the signal is measured with the cold junctionThe temperature value is processed by a single microcomputer, and finally the correct measured temperature value is obtained on the display screenShow it up.
Keyboard, communication, data memory can be used for data on the display. and storageanalysis, you can also connect to the computer through the communication interface and directly analyze the data by the computer. Power management packageIncluding batteries and charging circuits.

